Дополнительное оборудование
Дополнительное оборудование
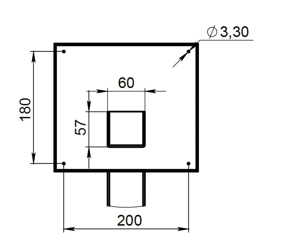
Кронштейн 3V K75
Кронштейн 3V K75 предназначен для установки терминалов и считывателей на плоских поверхностях, например на крышке турникетов 3V Model R / R(a) или 3V Model T(s). Изделие позволяет устанавливать терминал под произвольным углом.
Кабели выводятся через заднюю крышку терминала и проходят через трубу кронштейна внутрь корпуса турникета.
Для крепления терминала предусмотрены стандартные отверстия формата VESA75. Винты крепления терминала в комплекте не поставляются.
Комплектация
| Кронштейн | 1 шт. |
| Декоративное кольцо | 1 шт. |
| Гайка зажимная | 1 шт. |
| Прокладка силиконовая | 2 шт. |
| Ключ | 1 шт. |
Коробка 100х100х400 мм из прочного трёхслойного микрогофрокартона. Внутри изделие обёрнутое пакетом из воздушно-пузырьковой плёнки.
Характеристики
| Материал шарнира | алюминиевый сплав |
| Материал крепёжной пластины | алюминиевый сплав |
| Материал трубы | нержавеющая сталь |
| Материал зажимной гайки | оцинкованная сталь |
| Вес кронштейна | 0,9 кг |
| Регулировка угла наклона | от -5 до 60 градусов |
Документация на изделие
Кронштейн напольный 3V KN75-1400
Комплектация
| Кронштейн | 1 шт. |
| Декоративная крышка | 1 шт. |
Коробка 1500х120х120 мм из прочного трёхслойного микрогофрокартона.
Внутри изделие обёрнутое пакетом из воздушно-пузырьковой плёнки.
Характеристики
| Материал шарнира | алюминиевый сплав |
| Материал крепёжной пластины | алюминиевый сплав |
| Материал трубы | нержавеющая сталь |
| Материал зажимной гайки | нержавеющая сталь |
| Вес кронштейна | 2,11 кг |
| Регулировка угла наклона | от -5 до 60 градусов |
| Высота поверхности установки | 1445 мм |
Документация на изделие
Кронштейн (на трипод) 3V KT75
Кронштейн КТ75 предназначен для установки терминалов, вызывных панелей и другого оборудования на турникеты-триподы. Благодаря своей конструкции, он также может быть установлен на любую вертикальную поверхность, что делает его исключительно гибким в использовании.
Кронштейн КТ75 обеспечивает надежное крепление оборудования с помощью стандарта VESA 75. Если требуется установка оборудования с другими размерами крепления, для больших размеров можно использовать переходные пластины, а для меньших — сверлить новые отверстия в монтажной площадке. Такие модификации не влияют на гарантийный срок изделия.
Комплектация
| Кронштейн | 1 шт. |
| Комплект крепления | 1 шт. |
Характеристики
| Материал шарнира | алюминиевый сплав |
| Материал крепёжной пластины | алюминиевый сплав |
| Материал трубы | нержавеющая сталь |
| Материал заглушки | нержавеющая сталь |
| Вес кронштейна | 3 кг |
| Регулировка угла наклона | от -5 до 60 градусов |
| Длина кронштейна | 637 мм |
Документация на изделие
Формирователь прохода 3V Model FT или FT(s)
Тумбовый формирователь прохода 3V Model FT представляет собой специализированное устройство, разработанное для интеграции в системы контроля доступа на базе тумбовых турникетов 3V Model T.
Устройство выполняет ряд ключевых задач: поддерживает визуальную и функциональную целостность системы, упрощает интеграцию дополнительного оборудования (например, считывателей или табло индикации) благодаря радиопрозрачным окошкам и специальным креплениям, а также помогает направлять поток людей, минимизируя путаницу и повышая эффективность контроля доступа.
Верхняя крышка у 3V Model FT из закалённого стекла.
Верхняя крышка у 3V Model FT(s) из искусственного камня.
Комплектация
| Формирователь прохода | 1 шт. |
| Кабель для переноса табло, длина 6 метров | 1 шт. |
Коробка 1090х1135х270 мм из прочной деревянной коробки.
Внутри изделие обёрнутое стретч-плёнкой с воздушно-пузырьковой плёнкой с сотовым картоном.
Характеристики
| Тип изделия | тумбовый |
| Масса формирователя | нетто: 44.5 кг, нетто: 61 кг |
| Габаритные размеры | 1063х204х993 мм |
| Особенности | ниша в корпусе, закрываемая на ключ, два пластиковых кронштейна для считывателей, радиопрозрачные окошки для установки считывателей |
| Покрытие корпуса | полимерное, крышка из калёного стекла или из искусственного камня |
| Температурный диапазон | от +1°C до +50°C |
| Срок эксплуатации | 8 лет |
| Гарантийный срок | 5 лет (для произведённых после 2024 года), 3 года (для произведённых до 2024 года) |
Документация на изделие
Картоприёмник 3V Model CL
Стоечный картоприёмник 3V Model CL предназначен для любого типа проходных образовательных, административных, промышленных учреждений, где необходима работа с разовыми, гостевыми или временными пропусками на объекте, ставится в тандеме с турникетами.
Отличительная особенность – это лоток для непринятых идентификаторов, значительно ускоряющий работу проходной (решение о принятии или возврате карты принимается за долю секунды, после чего картоприёмник снова готов к работе, не возникает проблемы оставленного в отверстии идентификатора, препятствующего дальнейшей работе системы).
Крышка из полимерного радиопрозрачного материала (искусственный камень), нержавеющая сталь и полимерное покрытие (как у модели тумбового турникета 3V Model T / T(s)) обеспечили изделию сдержанный строгий стиль.
В картоприёмник 3V Model CL можно установить практически любой считыватель на выбор заказчика. Удобное подключение к СКУД сухими контактами, кабель (в том числе от считывателя) выводится к главной плате в гибком кабель-канале (цепи).
Комплектация
| Картоприёмник | 1 шт. |
| Ключи открытия ниши в корпусе | 1 шт. |
| Кабель питания (длина 6 м) | 1 шт. |
Коробка 1090х250х140 мм из прочного трёхслойного микрогофрокартона. Внутри изделие обёрнутое пакетом из воздушно-пузырьковой плёнки.
Кабели адаптер питания, монтажный комплект для установки и считыватель в комплект не входит!
Возможность комплектации считывателями Mifare или Em-Marine.
| Максимальная толщина идентификатора | 2,5 мм |
| Максимальное/минимальное расстояние считывания (125 кГц / 13,56 МГц) | 2,5 см — 3,5 см |
| Максимальные габариты считывателей | 60х119х40 мм, 110х110х26 мм |
Характеристики
| Тип картоприёмника | картоприёмник стоечный с отдельным лотком для непринятых идентификаторов |
| Напряжение питания | 10,8-15 В |
| Максимально потребляемый ток | при напряжении 12 В = 1 А |
| Управление механизмом | два микродвигателя |
| Вес картоприёмника | 16,3 кг |
| Пропускная способность | 30 чел./мин. |
| Особенности | лоток для непринятых идентификаторов, встроенный зуммер, возможность установки любого считывателя |
| Температурный диапазон эксплуатации | от +1°C до +55°C |
| Материал и покрытие | крышка — искусственный камень, корпус — нержавеющая сталь, полимерное покрытие |
| Степень защиты оболочки | IP41 |
| Подключение к СКУД | сухие контакты / RS485 |
| Ёмкость ниши | 300 толстых или 400 тонких карт |
| Гарантийный срок | 2 года |
Документация на изделие
Стойка для считывателя 3V (уличная)
Стойка для считывателя 3V предназначена для установки считывателей карт систем контроля доступа или вызывной панели домофона.
Стойка имеет цинковое гальванопокрытие. Данный способ обеспечивает наибольшие защитные свойства по сравнению с покрытием просто цинковым грунтом.
1 вариант стойки — высота 1248 мм.
2 вариант стойки — высота 2280 мм для грузовых и легковых автомобилей.
Размер окна из вспененного ПВХ для установки оборудования: 230х200 мм.
Размер трубы: 60х30 мм.
Вес: 4,9 кг.
Комплектация
| Стойка уличная | 1 шт. |
Гарантийный срок: 1 год
Упаковка 1280х230х240 мм, где изделие упаковано воздушно-пузырьковой плёнкой и стретч-плёнкой.
Документация на изделие
Крыша 3V Model U базовая
Крыша 3V Model U промежуточный модуль
Комплектация
| Крыша | 1 шт. |
Характеристики
| Вес брутто | Основная крыша: 50 кг Промежуточный модуль: 37 кг |
| Температурный диапазон эксплуатации | от –40°С до +55°С (относительная влажность воздуха до 98% при +25°С) |
| Материал и покрытие | сталь в полимерном покрытии |
| Материал настила | сотовый поликарбонат |
| Гарантийный срок | 2 года |
Документация на изделие
Ограждение 3V полноростовое
Полноростовое ограждение 3V может сформироваться в любой конфигурации с помощью стыковых элементов в системе контроля доступа с турникетами и калитками.
Составные части полноростового ограждения 3V:
Ограждение предназначено для формирования зоны прохода и выполнено в едином дизайне с полноростовым турникетом 3V Model X и калиткой. Стальная конструкция с полимерным покрытием. Ограждение предназначено для эксплуатации внутри помещения.
Ограждение полноростовое E-760
Ограждение полноростовое E-940
Ограждение полноростовое E-1120
Калитка выполнена в едином дизайне с полноростовым турникетом 3V Model X и полноростовым ограждением. Стальная конструкция с полимерным покрытием. Калитка предназначена для эксплуатации внутри помещения. В комплекте универсальное крепление электромагнитного замка.
Калитка полноростовая E-1200
Калитка полноростовая E-1500
Характеристики
| Размеры ограждения E-760 / E-940 / E-1120 | 80х760х2119 мм 80х940х2119 мм 80х1120х2119 мм |
| Размеры калитки E-1200 / E-1500 (в комплекте универсальное крепление электромагнитного замка) | 130х1200х2119 мм (ширина прохода 950 мм) 130х1500х2119 мм (ширина прохода 1250 мм) |
| Вес брутто | Ограждения: 40 кг / 47 кг / 54 кг Калитки: 71 кг / 88 кг |
| Температурный диапазон эксплуатации | от +1°C до +55°C |
| Материал и покрытие | сталь в полимерном покрытии |
| Гарантийный срок | 1 год |
| Пластина (присоединительная) турникета к секции ограждения | не требует сверления отверстий в турникете, имеет регулировочные пазы |
| Комплект (соединительный прямой) ограждения | Для соединения секций в линию (регулировка зазора 40 мм) |
| Комплект (соединительный угловой) ограждения | Для соединения секций под углом 90 градусов (регулировка зазора 40 мм) |
| Комплект крепления стойки ограждения (для крепления секции ограждения к стене) | Шуруп глухарь 8х100 мм — 4шт, дюпель 12х60 мм — 4 шт |
Документация на изделия
Преграждающие планки "Антипаника" или "Стандарт"
Комплекты преграждающих планок, подходящие для всех турникетов-триподов 3V, выполнены из прочной нержавеющей стали.
Планки “Антипаника” имеют возможность механического залома при чрезвычайных происшествиях, благодаря встроенному пружинному механизму, преграждающую проход планку можно заломить вручную одним движением. Мощная пружина возвращает планку в рабочее положение.
Стандартные планки не имеют возможности механического залома при чрезвычайных происшествиях, необходимо предусмотреть дополнительные ограждения “Антипаника” для обеспечения достаточной ширины прохода для эвакуации людей.
Характеристики
| Диаметр планки | 32 мм |
| Длина планки «Стандарт» / «Антипаника» | 505 / 535 мм |
| Вес планок «Стандарт» / «Антипаника» | 2,5 / 4 кг |
Комплектация
| Преграждающая планка | 3 шт. |
| Крепёж (винт М8х20 с гроверной шайбой) | 3 шт. |
| Заглушка из нержавеющей стали | 1 шт. |








































